1
/
od
3
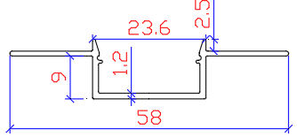
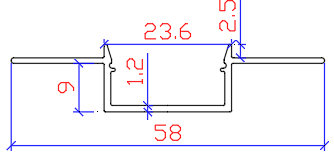
MX-SO01 ugradno kućište sa pokrovom za LED traku
MX-SO01 ugradno kućište sa pokrovom za LED traku
Inventarna šifra proizvoda (SKU):MX-SO01
Ugradno široko kućište od aluminija za hlađenje LED trake, dužine 3000mm.
Dolazi kao komplet sa mliječnim pokrovom i završnim kapicama.
Dodatne informacije
| Dimenzije | 5mm, L3000mm x W58mm x H11mm |
| Kategorija | Aluminijski profili za LED trake |
